伸縮継手

製品情報
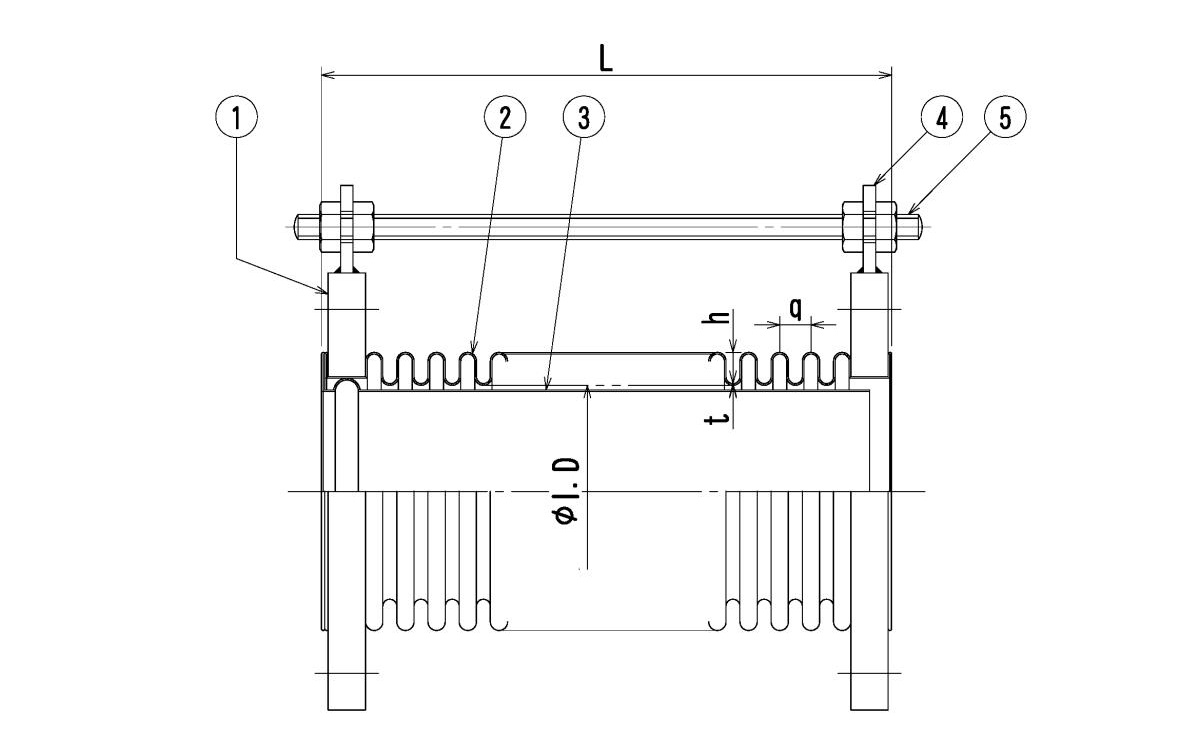
S525-I型(伸縮継手)
用途

低圧配管及び排気用撓み、伸縮、振動吸収

 
画像
画像
画像
注記

※ その他の材質、寸法等についてはお問い合わせください。
※ 製品仕様等、掲載している情報は予告無く変更することがありますのでご了承ください。

<< 前のページに戻る